Monday, February 26, 2024

😃 Unlock the Power: 5 Steps to Master Your 1999 Polaris Starter Wiring Schematic

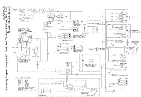
Discover the intricacies of your Polaris machine with our expert guide to the 1999 Polaris Starter Diagram Wiring Schematic. Unravel connections and components in this comprehensive analysis for optimal performance.

Unlock the mysteries of your 1999 Polaris starter system with our comprehensive Wiring Diagram and Schematic analysis. In this exploration of electrical intricacies, we delve into the diagram and wiring schematic of the 1999 Polaris, providing a lucid breakdown for enthusiasts and technicians alike. As we unravel the complexities of the starter assembly, each connection and component is meticulously examined, offering a roadmap for understanding and troubleshooting. Navigate through the electrical landscape with clarity as we guide you through the technical intricacies, empowering you to harness the full potential of your Polaris machine. Your journey into the heart of the 1999 Polaris Starter Diagram Wiring Schematic begins here.

Unlock the Power: 5 Steps to Master Your 1999 Polaris Starter Wiring Schematic

Understanding the Basics of Wiring Diagrams and Schematics

When delving into the world of automotive electronics, comprehending the 1999 Polaris Starter Diagram Wiring Schematic is essential. A wiring diagram is a visual representation of the electrical system, showcasing the connections and components in a detailed manner. These diagrams serve as blueprints for technicians and enthusiasts, aiding in troubleshooting and repairs.

Wiring Diagram Basics

Key Components in the Polaris Starter System

The starter system is a critical element in the functionality of a Polaris vehicle. This section dissects the key components involved, such as the starter motor, solenoid, and ignition switch. Understanding the interplay between these elements is crucial for maintaining optimal performance.

Starter System Components

Deciphering the Wiring Schematic

With a focus on the wiring schematic, this segment provides insights into how wires are routed and connected within the system. Each line and symbol represents a specific component or connection, forming a comprehensive map for technicians to follow during diagnostics or repairs.

Wiring Schematic Deciphering

Common Symbols in Wiring Diagrams

Wiring diagrams utilize symbols to represent various electrical components and connections. Unravel the meaning behind common symbols, such as lines, arrows, and shapes, to decode the intricate language of wiring diagrams.

Common Symbols in Wiring Diagrams

Diagnostic Techniques for Polaris Starter Issues

This section focuses on practical diagnostic techniques for identifying and resolving starter-related problems. From voltage testing to continuity checks, mastering these methods ensures efficient troubleshooting and effective solutions.

Diagnostic Techniques for Starter Issues

Step-by-Step Starter Replacement Guide

For those undertaking a starter replacement, this step-by-step guide provides a detailed walkthrough. From disconnecting the battery to installing the new starter, follow these instructions meticulously to ensure a successful replacement process.

Starter Replacement Guide

Maintaining a Well-Functioning Polaris Electrical System

Proactive maintenance is key to a reliable electrical system. Learn about routine checks, inspections, and best practices to keep your Polaris vehicle's wiring and starter system in optimal condition for extended longevity.

Maintaining Electrical System

Resources and Additional Information

Conclude your exploration with a curated list of resources and references. Whether you seek further information on Polaris models or want to delve deeper into electrical systems, these resources offer valuable insights for enthusiasts and technicians alike.

Additional Information Resources

Conclusion:

As we conclude our in-depth exploration of the 1999 Polaris Starter Diagram Wiring Schematic, we trust that this comprehensive guide has empowered you with the knowledge needed to navigate the intricate electrical landscape of your Polaris machine. Understanding the intricacies of the wiring schematic and starter system is paramount for both enthusiasts and technicians, offering a roadmap to effective troubleshooting and maintenance.

Remember, a well-maintained electrical system ensures the optimal performance of your Polaris vehicle. Whether you're deciphering the wiring schematic or conducting diagnostic techniques, the insights gained from our detailed examination will undoubtedly serve you well. For those embarking on a starter replacement journey or seeking ongoing maintenance tips, our step-by-step guide and recommendations for routine checks provide invaluable assistance. Stay tuned for more informative content, and feel free to explore our other articles for a deeper understanding of various automotive systems and components.

Keyword:1999 Polaris Starter Diagram Wiring Schematic

Related Keywords:Maintenance Guide, Wiring Diagram, Diagnostic Techniques, Wiring Schematic, Resources, Starter System, Schematic Analysis


No comments:

Post a Comment